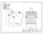
・この機械は従来のスケルトンバケットと比べ2倍以上のふるい作業処理能力と、含水比の高い土砂等のふるいにも使用できるよう設計しました。
・蓋の部分は油圧で可動する機構になっているのでフォークとしても使用でき、1台で2役こなせるアタッチメントです。
シェイクハンドバケット「スグル」強制ふるい兼用フォーク開発の経緯
シェイクハンドバケット「スグル」使用する利点
シェイクハンドバケット「スグル」使用用途
シェイクハンドバケット「スグル」主な特徴
シェイクハンドバケット「スグル」仕様
シェイクハンドバケット「スグル」画像
シェイクハンドバケット「スグル」レンタル料金
page 025


